MGS-804

物联网接入-无线产品

销售热线:4006 139 938
技术热线:021-3126 5138

串口/Modbus转NB-IoT/GPRS物联网网关

型号:MGS-804 添加到收藏夹

基本说明:MGS-804是一款用于将用户设备(带串口)的数据通过NB-IoT网路与上位机进行通信的工业级DTU产品,该产品适用于将带串口的用户设备数据通过NB-IoT方式传输至博云控以及其他云平台的场景。 MGS-804 NB-IoT网关具有三大优势:信号穿透性好、超低功耗和海量连接。

分享到:
1、支持多模连接:支持NB-IoT网络和GPRS网络,支持FDD-LTE B1/B3/B5/B8;GPRS/EDGE 900/1800 MHz频段;
2、功能强大:支持Modbus主站、Modbus从站、透明传输;
3、支持GPS定位功能;
4、支持无缝连接至博云控设备远程监控平台,方便用户实时了解设备状态;
5、安全传输:采用AES对数据加密,确保用户数据安全;
6、远程更新:支持远程更新配置和远程重启;
7、工业级可靠性,支持连接冗余服务器,当主服务器发生故障意外断开连接时,自动切换到备用服务器,让连接更安全可靠;
1、NB模块:
① 支持模式:NB-IoT、GPRS;
② 支持频段:支持FDD-LTE B1/B3/B5/B8;GPRS/EDGE: 900/1800频段;
③ SIM卡:支持3V/1.8V Micro SIM卡;
④ 天线:支持Hirose U.FL-R-SMT-1(80)50 ohm 天线连接器;
⑤ 输出功率:33dBm ±2dB;
⑥ 最大上行速率:NB-IoT : 66kbps GPRS : 85.6Kbps;
⑦ 最大下行速率:NB-IoT : 34kbps GPRS : 85.6Kbps;
⑧ 灵敏度:NB-IoT : -109dBm;
2、串行端口:
① 接口类型:3.81三针端子;
② 接口规格:支持RS232、RS485接口,奇偶校验支持无校验、奇校验、偶校验、标记、空格,停止位支持1位和2位;
③ 串口支持的协议类型:Modbus主站/从站;
④ 波特率:300-115200bps;
⑤ 隔离设计:1kV光电隔离;
⑥ 支持数据类型:寄存器支持int16,uint16,int32,int32 inverse,uint32,uint32 inverse,int64,int64 inverse,uint64, uint64 inverse,float,float inverse,double,double inverse数字量支持:BOOL;
3、整机供电及防护安装:
① 供电:DC 24V(11-30V),正常工作情况下功耗不到3W;
② 工作环境温度:-20℃ ~ 60℃;
③ 环境湿度:5% ~ 95%(无凝露);
④ 防护等级:IP20;
⑤ 冷却方式:自然风冷;
⑥ 机械结构:ABS工程塑料;
⑦ 整机尺寸:34mm(宽)×116mm(高)×107.4mm(深);
⑧ 安装方式:35mm导轨;
⑨ 整机重量:约210g;
1.串口RS232接线:
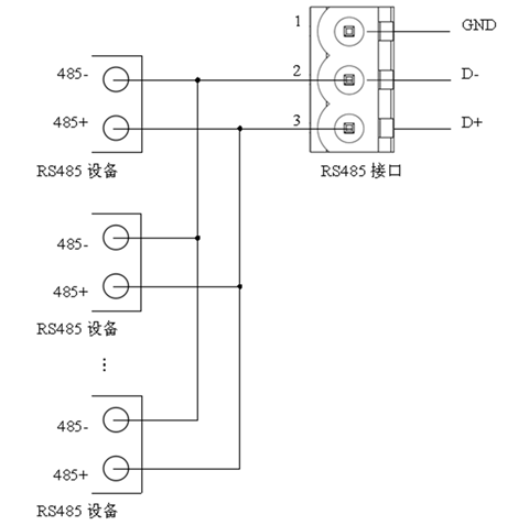
2.串口RS485接线:

应用一:


应用二:

销售服务热线 : 400 613 9938