MQT-804

物联网接入-无线产品

销售热线:4006 139 938
技术热线:021-3126 5138

Modbus/Modbus TCP转MQTT物联网网关

型号:MQT-804 添加到收藏夹

基本说明:MQT-804是基于无线数据通讯网络的一款远程监控终端,主要针对需要无人值守和远程监控的工业监控现场,可用于Modbus主/从站设备、Modbus TCP主/从站设备通过无线网络传输数据,支持MQTT协议连接至各大云平台(阿里云IoT、百度天工、EMQ等),可广泛应用于水质监控、环境检测、智能楼宇、智慧农业、能源、电力等有设备远程监控需求的领域。

分享到:
1、应用广泛:
① 外观小巧,适用于狭窄工控环境;
② 可用性高,多用于无人值守和远程监控的工业监控现场,例如:水质监控、环境检测、智能楼宇、智慧农业、能源、电力等有设备远程监控需求的领域;
③ 采用NB-IoT和eMTC(CAT-M)网络通讯,支持全球各大地区的60多个国家,覆盖范围广; 
2、功能强大:
① 使用json格式将数据上传云平台,用户可自定义json内容格式;
② 支持新数据推送机制或周期发送机制,数据发送间隔可设置,以节省客户流量费用;
③ 支持Modbus寄存器发送格式或属性名称发送格式,属性名称发送格式更加通俗易懂,以缩短设备投运时间;
④ 无需配置APN,支持GPS定位;  
3、安全可靠:
① 支持TLS/DTLS加密,支持自定义Client ID功能;
② 具有连接探测、自动重连功能;
③ 支持永远在线(TCP主动连接远端云服务器);
④ 自动监测无线信号,具有信号强度指示功能; 
 4、接口丰富:
① 串口端支持作为Modbus主/从站,对接各种仪器仪表设备,PLC、DCS等 ;
② 网口可作为Modbus TCP主/从站,作为主站对接设备如:智能仪表;作为从站对接设备如:施耐德PLC、SCADA软件等; 
1、eMTC / NB-IoT网络
① 支持频段:
eMTC(3Gpp Release 13 CAT-M): B1/B2/B3/B4/B5/B8/B12/B13/B14/B18/B19/B20/B25/B26/B27/B28/B66/B85;
NB-IoT(3Gpp Release 13 CAT-NB): B1/B2/B3/B4/B5/B8/B12/B13/B18/B19/B20/B25/B26/B28/B66/B71/B85;
② 网络带宽:
CAT-M: 上行:1119Kbps; 下行:589Kbps;
CAT-NB: 上行:150Kdps; 下行:136Kdps;
③ 支持MQTT协议版本 V3.1.1
2、串行端口:
① 支持RS485接口,半双工,奇偶校验位支持无校验、奇校验、偶校验、标记、空格,停止位支持1位和2位;
② 波特率:600 - 115200bps ;
③ 支持的协议类型:Modbus协议,支持作Modbus RTU/ASCII主/从站;
④ 支持功能码:01、02、03、04、05、06、15、16 ;
⑤ 接口类型:3.81三针端子;
⑥ 隔离设计:1kV光电隔离;
3、以太网口:
① 支持的协议类型:Modbus TCP协议,支持作Modbus TCP主/从站(Modbus TCP Client/Server);
② 支持功能码:01、02、03、04、05、06、15、16;
③ 接口类型:RJ45;
④ 其他:支持DHCP
4、最大连接数:
① Modbus RTU连接数:最大输入字节数 ≤512Bytes,最大输出字节数 ≤512Bytes,最大连接站点数:31(不带中继),最大命令条数:100条;
②Modbus TCP连接数:最大输入字节数 ≤512Bytes,最大输出字节数 ≤512Bytes,最大连接站点数:4个,可以连接四个Modbus TCP从站;
③ 命令条数:100条;
④ 注:RTU和TCP字节数和命令数独立计数,互不影响;
⑤ 最大属性个数:Modbus RTU+Modbus TCP共1000个属性;
5、整机供电及防护安装:
① 供电:DC 24V(11-30V);
② 工作环境温度:-20℃~60℃,相对湿度:5%~95%(无凝露);
③ 机械尺寸:25mm(宽)×100mm(高)×90mm(深);
④ 安装方式:35mm导轨;
⑤ 防护等级:IP20;

1.将Nano SIM卡正确插入MQT-804正面的卡托中,并将卡托插入卡座中。

2.连接NB-IoT/eMTC网络天线(长直的天线)和GPS天线(方头的天线)。

3.按如下方式连接电源,输入电压范围:10V~30V。

在完成所有连接之前,请勿打开设备电源。

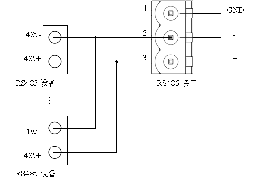
4.连接RS-485接口的串行设备。

5.通过以太网线将MQT-804网关与Modbus TCP主/从站(服务端/客户端)连接。

6.打开MQT-804网关电源的供电。

请从上海泗博自动化公司官网www.sibotech.net进入MQT-804产品页面获取MQT-123配置软件并安装,打开软件选择当前MQT-804模式并进行配置(网关默认处于Modbus TCP S / Modbus M/S模式,默认为DHCP模式,由路由器分配IP地址)。


产品型号 协议
MQT-805 Modbus/Modbus TCP/EtherNet IP转MQTT物联网网关
MQT-802 Modbus转MQTT物联网网关
NBR-8742 模拟量转MQTT物联网网关
销售服务热线 : 400 613 9938